湿法脱硫PH测量存在的问题及改造方案【系统优化】
2023-07-06 爱游戏体育在线注册,爱游戏体育(中国)
各类气体报警仪的调试知识大全分享
仪表和控制系统现代化的三种典型方案
涡街流量计的工作原理和技术要点知识分享
2023-07-05 爱游戏体育在线注册,爱游戏体育(中国)
给排水管道的安装知识分享
换热设备操作规程知识分享
检修防误专项安全措施知识分享
2023-07-03 爱游戏体育在线注册,爱游戏体育(中国)
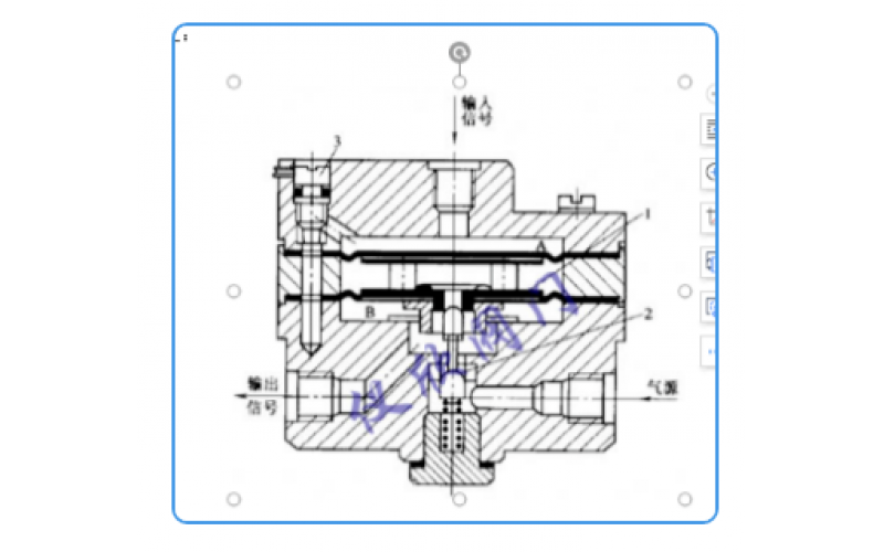
详解气动继动器知识分享