新闻动态

  • 凝结水泵切换操作票

    1.接值长令:A凝结水泵切换至B凝结水泵; 2.检查B凝结水泵具备启动条件,密封水、轴承冷却水进出水门全开,凝结水泵抽空气门开启3圈; 3 查询B凝结水泵上一周期运行情况:运行电流 电机轴承温度 4.关闭B凝结水泵出口电动门,退出B凝结水泵联锁;

    2024-08-16 爱游戏体育在线注册,爱游戏体育(中国)

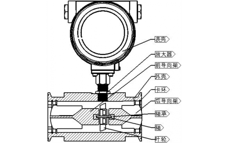
  • 涡轮流量计显示流量为零

    涡轮流量计简介: 涡轮流量计一般由传感器和显示仪两部分组成,也可做成整体式。 涡轮流量计和容积式流量计、科里奥利质量流量计称为流量计中三类重复性、精度最佳的产品,作为十大类型流量计之一,其产品已发展为多品种、多系列批量生产的规模。

    2024-08-14 爱游戏体育在线注册,爱游戏体育(中国)

  • 除尘射频导纳料位计故障,有料无料均无反应

    知识点 射频导纳料位计是国际物位控制器跨世纪的前卫替代产品,在欧美国家和日本已被广泛应用,国内的用户也在用它替换旧的产品。它可以检测所有物料而不受物料的密度、颗粒大小、化学成分、沉积粘度和导电特性等参数变化的影响。广泛地应用于液体、粉体、浆体、固体等多种物料的控制。 射频导纳物位计是一种新型物位测量仪表,“导纳”为电学中阻抗的倒数,它由阻性成分、容性成分、感性成分综合而成,而“射频”即高频,因此射频导纳技术可以理解为用高频测量导纳。

    2024-08-14 爱游戏体育在线注册,爱游戏体育(中国)

  • 压力显示故障,现场压力变送器无显示

    知识点 工艺设备已有压力但变送器没有压力信号输出, 原因有:取样阀门没有打开,导压管堵塞,排污阀门没有关闭;变送器供电或连接电缆故障,变送器的元器件损坏。

    2024-08-14 爱游戏体育在线注册,爱游戏体育(中国)

  • 直流油泵启动有电流显示,泵显示状态不变

    直流继电器的工作原理 继电器是种电子控制器件,它具有控制系统(又称输入回路)和被控制系统(又称输出回路)通常应用于自动控制电路中,它实际上是用较小的电流去控制较大电流的一种“自动开关”故在电路中起着自动调节、安全保护、转换电路等作用 。

    2024-08-12 爱游戏体育在线注册,爱游戏体育(中国)

  • 压力表安装及更换使用说明

    安装方式: 径向指压力表的连接口径与表盘成丨型,为直接安装。 轴向指压力表的连接口径与表盘成T型。还分为中轴和偏轴(下轴)安装。

    2024-08-12 爱游戏体育在线注册,爱游戏体育(中国)

  • 引风机差压变送器测压力显示故障

    差压变送器的工作原理 差压变送器通常用于测量密闭容器内的液位,利用液体自身重力产生的压力差来测量容器内液体的液位。 其高压侧测量管由于蒸汽凝结,始终处于充满水状态,保持压力恒定,而低压侧测量管与容器组成联通器,其压力随容器内液位的变化成线性变化。

    2024-08-12 爱游戏体育在线注册,爱游戏体育(中国)

  • 导线和电缆的截面选择应考虑哪些因素

    1、首先是输电的容量(有的习惯称能带的功率),输电容量越大,导体截面积就需越大。容量最直接决定导线、电缆的导体截面积,这是首要因素。 2、输电的距离,距离较远,必须考虑线路的线损压降,要求压降小,就必须加大导体截面积。

    2024-08-08 爱游戏体育在线注册,爱游戏体育(中国)

首页
产品
新闻
联系